เจาะลึก Yamada G50 Series นวัตกรรมปั๊มไดอะแฟรม

เจาะลึก Yamada G50 Series นวัตกรรมปั๊มไดอะแฟรม

วิวัฒนาการของปั๊ม AODD ในยุคอุตสาหกรรม 4.0
ในโลกอุตสาหกรรมปัจจุบัน "ประสิทธิภาพ" ไม่ได้หมายถึงแค่ความแรงเพียงอย่างเดียว แต่ยังรวมถึงความสะดวกในการติดตั้ง ความง่ายในการซ่อมบำรุง และความคุ้มค่าของ Life Cycle Cost ปั๊มไดอะแฟรมชนิดใช้ลม (Air-Operated Double Diaphragm หรือ AODD) เป็นอุปกรณ์พื้นฐานที่แทบทุกโรงงานต้องมี แต่ปัญหาที่พบบ่อยคือปั๊มมีน้ำหนักมาก อะไหล่ซับซ้อน และการซ่อมแต่ละครั้งกินเวลานาน Yamada G50 Series จึงถูกพัฒนาขึ้นมาเพื่อทลายข้อจำกัดเหล่านี้โดยเฉพาะ

1. การออกแบบที่เน้นความเบาและคล่องตัว (Lightweight Design)
Yamada G50 ได้รับการยกย่องว่าเป็นปั๊มอลูมิเนียมที่เบาที่สุดเมื่อเทียบกับแบรนด์คู่แข่งในตลาด ทำให้วิศวกรสามารถนำไปประยุกต์ใช้ในงานที่ต้องมีการเคลื่อนย้ายปั๊มไปตามจุดต่าง ๆ (Portable Applications) ได้ง่ายขึ้น หรือการติดตั้งในพื้นที่แคบ ๆ ที่ปั๊มรุ่นเก่าเข้าไม่ถึง การลดความหนักนี้ไม่ได้ลดความทนทานลง เพราะโครงสร้างยังคงใช้อลูมิเนียมเกรดสูงที่ทนทานต่อแรงดันและสภาวะการใช้งานหนัก

2. Ease of Maintenance: อะไหล่น้อยชิ้น ดูแลรักษาง่าย
หัวใจสำคัญของ G50 คือความเรียบง่าย จากสถิติพบว่า G50 มีจำนวนชิ้นส่วนรวมและชิ้นส่วนที่สึกหรอ (Wearing Parts) น้อยที่สุดในกลุ่มปั๊มขนาดเดียวกัน
- Quick Rebuild: การถอดประกอบเพื่อเปลี่ยนอะไหล่ทำได้รวดเร็ว ลด Downtime ในสายการผลิต
- Reduced Inventory: เมื่อชิ้นส่วนน้อยลง โรงงานก็ไม่จำเป็นต้องสต็อกอะไหล่หลายรายการ ช่วยลดภาระงานของแผนกพัสดุ

3. เทคโนโลยีวาล์วลม C-Spool (Lube-Free Technology)
Yamada นำเทคโนโลยีที่พิสูจน์แล้วจากรุ่น NDP Series มาปรับใช้ใน G50 วาล์วลมแบบ C-Spool มีจุดเด่นคือ
- ไม่ต้องใช้น้ำมันหล่อลื่น: ลดการปนเปื้อนในอากาศเสียที่ระบายออกมา และลดค่าใช้จ่ายในการเติมน้ำมัน
- Non-Stall Air Valve: มั่นใจได้ว่าปั๊มจะทำงานต่อเนื่อง ไม่มีการค้างของวาล์วแม้ใช้งานที่แรงดันลมต่ำ
- Replaceable Components: ชิ้นส่วนวาล์วสามารถเปลี่ยนแยกชิ้นได้ ไม่ต้องเปลี่ยนยกชุดวาล์วให้สิ้นเปลือง

4. ประสิทธิภาพและการประหยัดพลังงาน
แม้จะมีขนาดกะทัดรัด แต่ G50 ให้ค่าอัตราการไหล (Flow Rate) สูงสุดถึง 193 GPM (ประมาณ 730 ลิตร/นาที) นอกจากนี้ยังมีความโดดเด่นในเรื่องการลด Pulsation หรือการเต้นของของเหลวได้มากกว่า 50% เมื่อเทียบกับคู่แข่ง ส่งผลให้การไหลสม่ำเสมอขึ้น และลดแรงกระแทกภายในระบบท่อ

5. การติดตั้งแบบ Drop-in Replacement (Interchangeability)
ปัญหาใหญ่ของการเปลี่ยนแบรนด์ปั๊มคือ "ระยะท่อไม่ตรงกัน" แต่ Yamada G50 ถูกออกแบบมาให้เป็น Direct Drop-in Replacement หมายความว่าคุณสามารถถอดปั๊มแบรนด์เดิมขนาด 2 นิ้วออก และวาง G50 ลงไปแทนได้ทันที โดยไม่ต้องแก้ไขจุดเชื่อมต่อท่อทางส่งหรือทางดูด ช่วยให้การอัปเกรดระบบเป็นเรื่องง่ายและรวดเร็ว

6. ความปลอดภัยและการใช้งานที่หลากหลาย
ด้วยคุณสมบัติของปั๊ม AODD มาตรฐาน Yamada
- Safe Operation: สามารถทำงานในพื้นที่ไวไฟได้ เนื่องจากไม่ใช้ไฟฟ้า
- Run Dry Ability: ปั๊มสามารถรันตัวเปล่าได้โดยไม่เสียหาย
- Self-Priming: สามารถดูดของเหลวขึ้นได้เองจากระดับที่ต่ำกว่าตัวปั๊ม
- Dead Head: ปั๊มจะหยุดทำงานเองเมื่อวาล์วปลายทางปิด โดยไม่เกิดการ Overheat หรือเครื่องไหม้

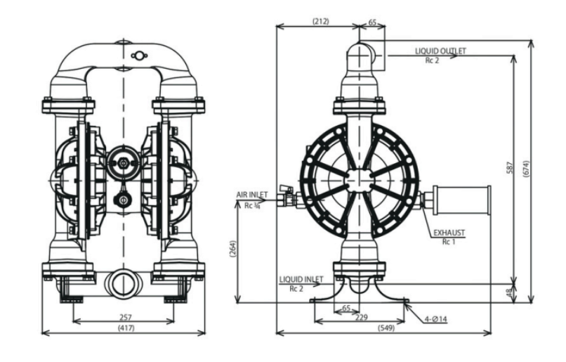
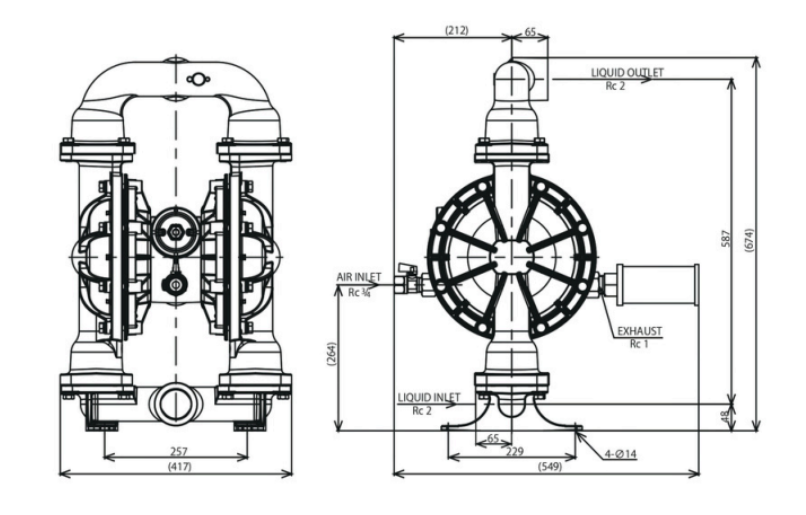
7. สรุปข้อมูลทางเทคนิคที่สำคัญ (Technical Highlights)
- Body Material: อลูมิเนียม (Aluminum ADC-12)
- Port Size: 2 นิ้ว (NPT หรือ Flange)
- Max Flow Rate: 193 GPM (730 L/min)
- Air Supply Pressure: 20 - 125 PSI (1.4 - 8.7 kgf/cm²)
- Max Solid Size: 8 มม. (5/16 นิ้ว)
- Diaphragm Options: NBR, PTFE, TPEE (Hytrel), TPO (Santoprene) เพื่อให้เหมาะกับสารเคมีแต่ละชนิด

8. ทำไมต้องเลือกซื้อ Yamada จาก C.M.P. GROUP?
C.M.P. GROUP ไม่ได้เป็นเพียงผู้จำหน่าย แต่เป็นพันธมิตรด้านอุตสาหกรรม (Engineering Partner) ที่มีประสบการณ์กว่า 50 ปี เรามีทีมงานที่พร้อมให้คำปรึกษาในการเลือกวัสดุไดอะแฟรมที่ถูกต้องตามชนิดของสารเคมี (Chemical Compatibility) พร้อมบริการหลังการขายและสต็อกอะไหล่แท้เพื่อให้โรงงานของคุณทำงานได้อย่างต่อเนื่องไม่มีสะดุด

สรุป
Yamada G50 Series คือบทพิสูจน์ว่าปั๊มอุตสาหกรรมสามารถทำให้เบาลงและดูแลรักษาง่ายขึ้นได้โดยไม่ต้องสูญเสียสมรรถนะ หากคุณกำลังมองหาทางเลือกใหม่เพื่อลดต้นทุนการผลิตและเพิ่มความคล่องตัวให้หน้างาน G50 คือคำตอบที่คุณไม่ควรพลาด

Powered by MakeWebEasy.com
เว็บไซต์นี้มีการใช้งานคุกกี้ เพื่อเพิ่มประสิทธิภาพและประสบการณ์ที่ดีในการใช้งานเว็บไซต์ของท่าน ท่านสามารถอ่านรายละเอียดเพิ่มเติมได้ที่ นโยบายความเป็นส่วนตัว  และ  นโยบายคุกกี้